Bonjour,
La question me turlupine depuis que l’on m’a « enduit » d’un doute concernant le sens de pose des joints à lèvres sur une pompe à eau d’un 1GM10.
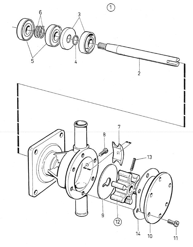
Je les ai changés tous les deux, côté eau de mer et côté huile en respectant le sens qu’avaient les anciens joints, supposés montés correctement par le précédent mécano, mais ayant une très lège fuite d’eau (une goutte toute les 2-3 secondes) après 20 heures de fonctionnement, j’ai posé la question sur le forum d’à côté et l’on me répond que le joint à lèvre doit avoir le ressort intérieur qui regarde de rouet de pompe alors que je l’ai installé dans l’autre sens. Pensant le changer rapidement, j’aimerais être sûr, et sur l’éclaté visible sur le Net, ce n’est pas évident.
Qui a raison ?
Merci d’avance,
Philippe


Suivi RSS
Conception

Version imprimable



