Bon, en matière de moteurs, voici les limites du problème ; j’ai un volvo penta 2002, j’ai fait un stage moteurs STW, mais jusque là et depuis lors, j’ai considéré ces animaux avec une intense méfiance et une distance conséquente.
Mais voilà... Bateau oblige, j’ai commencé à lire et un peu à regarder (moteur à l’arrêt !).
Je suis tombée, ailleurs, sur une discussion très ancienne ayant pour titre : détartrage, que j’ai lue en partie (au bout d’un certain temps ça devenait trop pointu pour moi).
Pourrait-on me dire, en trois phrases simples si possible, comment, et avec quoi, on procède au détartrage sur mon moteur ? J’ai cru comprendre qu’il s’agit de débrancher arrivée et évacuation d’eau, et de mettre tout ça dans un seau contenant le produit détartrant ; et aussi que le moteur doit être arrêté pendant ce temps. J’ai dû mal comprendre, car je vois mal l’eau/produit tourner tout(e) seul(e).
Question subsidiaire : comment s’aperçoit-on que le moteur a besoin d’être détartré ?

- Accueil
- Présentation du site
- FAQ
- Tous les articles
- Auteurs et visiteurs
- Intervenir sur PTP
- Sites à voir


Mon historique
Se connecter
Mot de passe oublié
S'inscrire aux forum
Contact Webmestre
Suivi RSS
Votre IP : 216.73.216.172
Dernier ajout : 15 novembre
Visiteurs connectés : 21
Conception
Développé sous SPIP
Informations légales

Pratiques et Techniques de la Plaisance
-
OpenCPN
-
Grand Voyage
-
Articles
- Voiles carènes et gréement
- Traditions et cultures
- Cartographie
- Instruments
- Sécurité
- L’électricité à bord
- Les moteurs
- Entretenir le bateau
- Le confort à bord
- En navigation
- Mouillages et ports
- Au mouillage
- Les échos du web
- L’agenda Plaisance Pratique
- Les articles géolocalisés pour les voyageurs
-
Trucs et astuces
-
Forum technique
-
Livres
-
msg
Accueil du site > Forum technique > Mon projet > Le projet de Carthage > Les étonnements du nul : détartrage
Rubrique : Le projet de Carthage
Dans cette rubrique on trouvera également : (12 articles)
__________________________________________________________________________________________________________________
Les étonnements du nul : détartrage
Version imprimable
Publié Mars 2013, (màj Mars 2013) par :
Carthage
|
| Copyright : Les articles sont la propriété de leurs auteurs et ne peuvent pas être reproduits en partie ou totalité sans leur accord |
S'identifier pour s'abonner par mail
|
Inscrit aux forum vous pourriez transmettre cette page à un ami plaisancier |
Mots-clés secondaires: moteur
Répondre à cet article
(pour répondre à un message en particulier, voir plus bas dans le fil)
133 Messages de forum
__________________________________________________________________________________________________________________
-
Les étonnements du nul : détartrage 31 mars 2013 15:08, par Pil-Poil -
Les étonnements du nul : détartrage 31 mars 2013 17:20, par Carthage
-
-
Les étonnements du nul : détartrage : il peut s’agir du faisceau échangeur 31 mars 2013 15:18, par yvesD -
Les étonnements du nul : détartrage : il peut s’agir du faisceau échangeur 31 mars 2013 15:23, par yvesD -
Les étonnements du nul : détartrage : il peut s’agir du faisceau échangeur 31 mars 2013 17:22, par Carthage
-
-
Les étonnements du nul : détartrage : il peut s’agir du faisceau échangeur 31 mars 2013 18:50, par tilikum
-
-
Les étonnements du nul : détartrage 31 mars 2013 19:07, par Pil-Poil -
Les étonnements du nul : détartrage 31 mars 2013 19:31, par tilikum -
Les étonnements du nul : détartrage 31 mars 2013 19:46, par Carthage -
Les étonnements du nul : détartrage 31 mars 2013 19:57, par Nevermind -
Les étonnements du nul : détartrage 31 mars 2013 21:06, par tilikum -
Les étonnements du nul : détartrage 31 mars 2013 21:45, par yvesD -
Les étonnements du nul : détartrage 31 mars 2013 22:21, par tilikum
-
-
Les étonnements du nul : détartrage 1er avril 2013 09:16, par Carthage -
Les étonnements du nul : détartrage 1er avril 2013 09:34, par Négofol -
Les étonnements du nul : détartrage 1er avril 2013 09:55, par Carthage
-
-
-
-
Les étonnements du nul : détartrage 1er avril 2013 09:11, par Carthage -
Les étonnements du nul : détartrage 4 avril 2013 00:34, par Carthage
-
-
-
-
-
Les étonnements du nul : détartrage 31 mars 2013 19:53, par Carthage -
Les étonnements du nul : détartrage 31 mars 2013 21:17, par Alien -
Les étonnements du nul : détartrage et épaisseur du vécu 31 mars 2013 21:56, par yvesD -
Les étonnements du nul : détartrage et épaisseur du vécu 1er avril 2013 09:27, par Carthage
-
-
Les étonnements du nul : détartrage 1er avril 2013 09:35, par Carthage
-
-
-
-
Les étonnements du nul : détartrage 4 avril 2013 00:44, par Carthage -
Les étonnements du nul : détartrage 4 avril 2013 07:13, par Négofol -
Les étonnements du nul : détartrage 4 avril 2013 07:32, par Négofol -
Les étonnements du nul : détartrage 4 avril 2013 12:40, par Carthage
-
-
-
Les étonnements du nul : détartrage 4 avril 2013 00:56, par Carthage -
Les étonnements du nul : détartrage 4 avril 2013 01:27, par Nevermind -
Les étonnements du nul : détartrage 4 avril 2013 01:33, par Carthage -
Les étonnements du nul : détartrage 4 avril 2013 01:46, par Nevermind -
Les étonnements du nul : détartrage 4 avril 2013 10:21, par Carthage
-
-
-
-
-
Les étonnements du nul : détartrage 4 avril 2013 01:04, par Carthage -
Les étonnements du nul : détartrage 4 avril 2013 01:30, par Nevermind -
Les étonnements du nul : détartrage 4 avril 2013 01:35, par Carthage -
Les étonnements du nul : détartrage 4 avril 2013 01:54, par Nevermind -
Les étonnements du nul : détartrage 4 avril 2013 02:08, par Carthage -
Les étonnements du nul : détartrage 4 avril 2013 07:59, par Nevermind -
Les étonnements du nul : détartrage 4 avril 2013 10:24, par Carthage
-
-
-
-
-
-
-
Les étonnements du nul : détartrage 4 avril 2013 01:06, par Carthage -
Les étonnements du nul : détartrage 4 avril 2013 01:32, par Nevermind
-
-
Les étonnements du nul : détartrage 4 avril 2013 01:08, par Carthage -
Les étonnements du nul : détartrage 4 avril 2013 01:34, par Nevermind -
Les étonnements du nul : détartrage 4 avril 2013 01:38, par Carthage
-
-
Les étonnements du nul : détartrage 4 avril 2013 07:43, par Nevermind -
Les étonnements du nul : détartrage 4 avril 2013 12:42, par Carthage
-
-
-
Les étonnements du nul : détartrage 4 avril 2013 01:10, par Carthage -
Les étonnements du nul : détartrage 4 avril 2013 01:37, par Nevermind -
Les étonnements du nul : détartrage 4 avril 2013 01:40, par Carthage -
Les étonnements du nul : détartrage 4 avril 2013 01:50, par Nevermind -
Les étonnements du nul : détartrage 4 avril 2013 02:06, par Carthage -
Les étonnements du nul : moteur 2002 4 avril 2013 06:49, par Négofol -
Les étonnements du nul : moteur 2002 : circuit de refroidissement 4 avril 2013 06:52, par Négofol -
Les étonnements du nul : moteur 2002 : circuit de refroidissement suite 4 avril 2013 06:54, par Négofol -
Les étonnements du nul : moteur 2002 : circuit de refroidissement suite 4 avril 2013 07:06, par Négofol -
Les étonnements du nul : moteur 2002 : circuit de refroidissement suite 4 avril 2013 07:49, par Nevermind -
Les étonnements du nul : moteur 2002 : circuit de refroidissement suite 4 avril 2013 08:21, par Négofol -
Les étonnements du nul : moteur 2002 : circuit de refroidissement suite 4 avril 2013 10:31, par Carthage -
Les étonnements du nul : moteur 2002 : circuit de refroidissement suite 4 avril 2013 11:16, par Négofol -
Les étonnements du nul : moteur 2002 : circuit de refroidissement suite 4 avril 2013 12:44, par Carthage
-
-
-
-
-
Les étonnements du nul : moteur 2002 : circuit de refroidissement suite 4 avril 2013 08:04, par yoruk -
Les étonnements du nul : moteur 2002 : circuit de refroidissement suite 4 avril 2013 08:23, par Négofol -
Les étonnements du nul : moteur 2002 : circuit de refroidissement suite 4 avril 2013 08:36, par yoruk -
Les étonnements du nul : moteur 2002 : circuit de refroidissement suite 4 avril 2013 09:05, par yoruk -
Les étonnements du nul : moteur 2002 : circuit de refroidissement suite 4 avril 2013 10:13, par Négofol -
Les étonnements du nul : moteur 2002 : circuit de refroidissement suite 4 avril 2013 10:19, par yoruk -
Les étonnements du nul : moteur 2002 : circuit de refroidissement suite 19 avril 2013 13:33, par yoruk
-
-
-
-
-
Les étonnements du nul : moteur 2002 : circuit de refroidissement suite 4 avril 2013 09:04, par Pil-Poil -
Les étonnements du nul : moteur 2002 : circuit de refroidissement suite 4 avril 2013 09:11, par yoruk -
Les étonnements du nul : moteur 2002 : circuit de refroidissement suite 4 avril 2013 09:37, par ernestpt
-
-
Les étonnements du nul : moteur 2002 : circuit de refroidissement suite 4 avril 2013 10:41, par Carthage
-
-
-
-
Les étonnements du nul : moteur 2002 : circuit de refroidissement suite 4 avril 2013 10:36, par Carthage -
Les étonnements du nul : moteur 2002 : circuit de refroidissement suite 4 avril 2013 12:48, par Négofol -
Les étonnements du nul : moteur 2002 : circuit de refroidissement suite 6 avril 2013 12:17, par Négofol
-
-
-
-
Les étonnements du nul : moteur 2002 4 avril 2013 10:48, par Carthage -
Les étonnements du nul : moteur 2002 4 avril 2013 12:42, par Négofol -
Les étonnements du nul : moteur 2002 4 avril 2013 12:45, par Carthage
-
-
-
-
-
-
-
-
-
Les étonnements du nul : détartrage 4 avril 2013 11:02, par Carthage -
Les étonnements du nul : coude d’échappement 4 avril 2013 13:12, par Négofol -
Les étonnements du nul : coude d’échappement 6 avril 2013 15:45, par Carthage
-
-
-
Les étonnements du nul : filtre eau de mer 4 avril 2013 12:14, par Carthage -
Les étonnements du nul : filtre eau de mer 4 avril 2013 12:27, par Pil-Poil -
Les étonnements du nul : filtre eau de mer 4 avril 2013 12:48, par Carthage -
Les étonnements du nul : filtre eau de mer 6 avril 2013 12:35, par Négofol -
Les étonnements du nul : filtre eau de mer 6 avril 2013 12:55, par tilikum -
Les étonnements du nul : filtre eau de mer et/ou crépine 6 avril 2013 15:42, par Carthage -
Les étonnements du nul : filtre eau de mer et/ou crépine 6 avril 2013 15:46, par yoruk -
Les étonnements du nul : filtre eau de mer et/ou crépine 6 avril 2013 16:24, par Carthage
-
-
-
Les étonnements du nul : filtre eau de mer 6 avril 2013 17:09, par Négofol -
Les étonnements du nul : filtre eau de mer et/ou crépine 6 avril 2013 18:04, par Carthage -
Les étonnements du nul : filtre eau de mer 7 avril 2013 18:55, par tilikum -
Les étonnements du nul : filtre eau de mer 7 avril 2013 19:21, par Négofol -
Les étonnements du nul : filtre eau de mer 7 avril 2013 19:26, par yoruk -
Les étonnements du nul : filtre eau de mer 8 avril 2013 12:35, par Négofol -
Les étonnements du nul : filtre eau de mer 8 avril 2013 12:44, par yoruk -
Les étonnements du nul : inventaire de trous 8 avril 2013 13:00, par yoruk
-
-
Les étonnements du nul : filtre eau de mer 8 avril 2013 22:57, par Carthage
-
-
-
Les étonnements du nul : filtre eau de mer 7 avril 2013 19:33, par Carthage
-
-
Les étonnements du nul : filtre eau de mer 7 avril 2013 19:30, par Carthage
-
-
-
-
-
-
-
-
Faudrait peut-être passer à l’acte ? 6 avril 2013 16:10, par Carthage -
Faudrait peut-être passer à l’acte ? 6 avril 2013 16:27, par Pil-Poil -
Pompe eau de mer d’occasion 6 avril 2013 16:36, par Carthage -
Dépose pompe à eau brute 7 avril 2013 15:32, par Négofol
-
-
Faudrait peut-être passer à l’acte ? 6 avril 2013 16:30, par Négofol -
Faudrait peut-être passer à l’acte ? 6 avril 2013 16:34, par Carthage -
Faudrait peut-être passer à l’acte ? 9 avril 2013 18:50, par Carthage -
Faudrait peut-être passer à l’acte ? 9 avril 2013 19:20, par Négofol -
Faudrait peut-être passer à l’acte ? 9 avril 2013 22:49, par Carthage
-
-
-
-
Faudrait peut-être passer à l’acte ? 6 avril 2013 16:40, par Négofol -
Faudrait peut-être passer à l’acte ? 10 avril 2013 04:10, par tilikum
-
-
Faudrait peut-être passer à l’acte ? 7 avril 2013 08:58, par Négofol -
Concernant l’usure des courroies... 19 avril 2013 20:48, par Inconnu
-
-
... pour que vous n’oubliiez pas que c’est un fil de nul... 6 avril 2013 16:21, par Carthage -
... pour que vous n’oubliiez pas que c’est un fil de nul... 6 avril 2013 16:46, par Négofol -
... pour que vous n’oubliiez pas que c’est un fil de nul... 6 avril 2013 20:49, par Carthage -
... pour que vous n’oubliiez pas que c’est un fil de nul... 18 avril 2013 14:25, par yvesD
-
-
... pour que vous n’oubliiez pas que c’est un fil de nul... 6 avril 2013 19:04, par tilikum -
... pour que vous n’oubliiez pas que c’est un fil de nul... 7 avril 2013 10:13, par Carthage -
... pour que vous n’oubliiez pas que c’est un fil de nul... 7 avril 2013 10:22, par yoruk -
... pour que vous n’oubliiez pas que c’est un fil de nul... 7 avril 2013 10:48, par Négofol -
décompression 7 avril 2013 12:23, par Carthage
-
-
-
-
-
Les étonnements du nul : détartrage 7 avril 2013 22:29, par jp -
Les étonnements du nul : détartrage 8 avril 2013 00:11, par Carthage -
Les étonnements du nul : détartrage 8 avril 2013 04:45, par Pil-Poil -
Les étonnements du nul : détartrage 8 avril 2013 07:27, par Négofol -
Les étonnements du nul : détartrage 8 avril 2013 07:36, par yoruk -
Les étonnements du nul : détartrage 8 avril 2013 08:03, par Négofol -
Les étonnements du nul : détartrage 8 avril 2013 08:29, par yoruk -
Les étonnements du nul : détartrage 8 avril 2013 09:11, par Négofol
-
-
-
-
-
-
Les étonnements du nul : détartrage 8 avril 2013 16:09, par ernestpt
-
-
Les étonnements du nul : détartrage 8 avril 2013 14:43, par jp -
Les étonnements du nul : détartrage 8 avril 2013 23:20, par Carthage -
Les étonnements du nul : détartrage 9 avril 2013 11:46, par Alien
-
-
__________________________________________________________________________________________________________________
-
31 mars 2013 15:08, par Pil-Poil
Pour les non-possesseur de Volvo (il n’y a pas que Volvo sur les bateaux !), peux tu préciser si ce moteur est à refroidissement direct ou indirect ?
Selon que c’est l’un ou l’autre, le procédé n’est pas le même.
J’ai fait le détartrage sur mon moteur qui est en refroidissement indirect ...
-
31 mars 2013 17:20, par Carthage
Ce message répond à ...
Ca, c’est bien sûr LA question gênante.
Je n’ai eu bien évidemment aucun document sur le moteur quand j’ai acheté le bateau. Je suis bien évidemment incapable de reconnaître l’un de l’autre. Armée de divers manuels, j’espérais pouvoir répondre à cette question cruciale jeudi dernier... mais j’ai découvert de l’eau dans mes fonds, j’ai passé la journée à nettoyer, j’ai arrêté à la nuit et je n’ai pas pu me lancer dans l’étude du moteur.
J’y retourne demain !
Au fait, merci pour le lien sur le 220 (pas trop tout compris, imprimé, à potasser...), et pour la peinture des fonds (tout compris, yapluka).
-
-
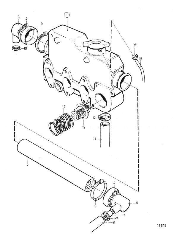
31 mars 2013 15:18, par yvesD
Animateur
S’il s’agit de détartrer une pièce qu’on mettra à tremper dans un seau on peut penser au faisceau d’échangeur ou aussi au coude d’échapement (plus incertain)
Dans l’extrait du manuel d’atelier des 20x0 on voit assez clairement sur la figure 106 le faisceau d’échangeur, sorte de barillet composé de tubes de laiton. L’eau douce (eau+glycol) passe dans les tubes, l’eau de mer (eau+sel) passe à l’extérieur de ces tubes.
Il faut déposer la (le ?) durit d’arrivée et de retour (donc des deux cotés de la fonte) de forme assez complexe puisqu’elle véhicule deux liquides différents avec un serflex qui serre la circulation d’eau douce (au milieu) et un autre qui serre la ciculation d’eau de mer (sur la périphérie)
La manière de détartrer cette pièce est décrite dans la notice d’atelier jointe.
A la repose il faut bien orienter le barillet (micro-trou de purge d’air vers le haut)On peut accessoirement passer des tiges filetées en laiton à l’intérieur des tubes du barrilllet, comme écouvillon. Certains déconseille cette pratique (risque de contaminer le métal du faisceau par celui de l’écouvillon ?)
La notice a un point de vue légèrement différent (tige d’acier, inutile de faire tremper)J’ai fais ça une fois en 7 ans et 2000 h moteur
-
31 mars 2013 15:23, par yvesD
Ce message répond à ...
Animateur
-
31 mars 2013 17:22, par Carthage
Ce message répond à ...
Hmmm... voir plus haut la question de Robert et ma réponse.
Tout ce que je peux dire, c’est que d’après les manuels, l’échangeur de mon moteur, s’il existe, ressemble pas mal à ton croquis.
-
-
31 mars 2013 18:50, par tilikum
Ce message répond à ...
En complément, un détail qui n’est que rarement expliqué dans les manuels pour les détartrages à l’acide :
- Il est raisonnable de porter des gants de protection, suivant la sensibilité de l’épiderme de chacun...

- Il est obligatoire de porter des lunettes de sécurité... un accident est vite arrivé !
En cas de jet d’acide dans les yeux, la procédure est simple mais pas négociable : un jet d’eau douce dans les yeux bien ouverts durant 15 minutes minimum ! (Il est recommandé de consulter ensuite un médecin de préférence spécialisé en ophtalmologie)
C’est très désagréable... mais on ne sait pas encore remplacer nos yeux.
_/)
- Il est raisonnable de porter des gants de protection, suivant la sensibilité de l’épiderme de chacun...
-
-
31 mars 2013 19:07, par Pil-Poil
Le manuel d’atelier du 2002 est ici : http://members.dslextreme.com/users...
Et l’image qui montre son refroidissement indirect ci-joint. C’est donc un refroidissement indirect.
-
31 mars 2013 19:31, par tilikum
Ce message répond à ...
Il y a eu deux versions du Volvo 2002 : refroidissement indirect et refroidissement direct... autrement dit avec échangeur et sans !

_/)
-
31 mars 2013 19:46, par Carthage
Ce message répond à ...
Exact... d’après les manuels tout au moins ! Quelle idée de compliquer les choses de cette façon (les manuels mentionnent aussi des moteurs avec embase et d’autres avec ... autre chose, mais je pense que ça n’a rien à voir, heureusement).
Enfin, j’avais bien fini par supposer que la façon de déterminer duquel il s’agit consiste à regarder s’il y a un échangeur ou pas... en espérant ne pas confondre l’échangeur avec autre chose !
Pour l’acide, pas de souci : dans mon métier (restauration de tableaux), on manipule ces choses là et quelques autres, on n’aime pas ça, et on comprend très très vite l’intérêt de la protection. Suffit d’avoir trinqué une fois (dans mon cas, allergie à la térébenthine, et la peau des mains qui part comme un gant après utilisation de DMF). On ne joue pas avec les produits qu’on ne connaît pas, on les prend au sérieux !-
31 mars 2013 19:57, par Nevermind
Ce message répond à ...
Pour savoir si c’est avec ou sans échangeur :
tu mets le moteur en route :
si l’eau d’échappement chauffe très vite= sans échangeur
si l’eau ne chauffe pas vite = avec échangeurTu mets ta main à la sortie de l’échappement.
L’autre solution, tu notes le n° de série et tu vas sur le site Volvo.
jp-
31 mars 2013 21:06, par tilikum
Ce message répond à ...
Pour savoir si c’est avec ou sans échangeur :
tu mets le moteur en route :
si l’eau d’échappement chauffe très vite= sans échangeur
si l’eau ne chauffe pas vite = avec échangeurJe ne me fierais pas trop à ce diagnostic, car même les moteurs sans échangeurs ont normalement un calorstat pour réguler la température...
Il y a plus simple, même pour un néophyte : un moteur avec échangeur est toujours équipé d’un bouchon taré pour remplir le liquide de refroidissement, comme n’importe quel moteur d’automobile... alors qu’un moteur sans échangeur en est dépourvu !

_/)
-
31 mars 2013 21:45, par yvesD
Ce message répond à ...
Animateur
un moteur avec échangeur est toujours équipé d’un bouchon taré pour remplir le liquide de refroidissement
Excellente règle, qui comme toute règle souffre au moins une exception : sur mon Ford 2712 (conçu dans les années 60, installé en 77) il y a un circuit d’eau de mer, un circuit d’eau douce, un échangeur, un bocal (en fonte) à eau douce et un bouchon non taré sur le bocal pour faire l’appoint
Et le moteur est un Ford Lehman américain marinisé par le suédois Gustavson, les britaniques n’ont rien à voir dans cette bizarerie.
Désolé
Mais ça ne remet pas en cause la règle, bien sur.
Autre possibilité : tu as oublié moderne dans la phrase citée

-
31 mars 2013 22:21, par tilikum
Ce message répond à ...
Ah bah... mon moteur d’origine (66) était un Ford 4 cylindres de 4 litres de cylindrée, développant 62 CV à 2000 t/m, échangeur « skincooling » et échappement sec... et en effet le bouchon n’était pas taré !

-
-
1er avril 2013 09:16, par Carthage
Ce message répond à ...
« un moteur avec échangeur est toujours équipé d’un bouchon taré pour remplir le liquide de refroidissement, comme n’importe quel moteur d’automobile »
Hmmm... très intéressant... euh... c’est quoi, un bouchon taré ?
J’ai parfois remis du liquide de refroidissement dans ma voiture (Renault 21 Nevada - en voiture aussi, j’aime les vieux machins), le bouchon m’a paru aussi simple qu’un bouchon de jerrycan ?-
1er avril 2013 09:34, par Négofol
Ce message répond à ...
Animateur
Les bouchons de radiateur de voiture ont en dessous un ressort et un clapet pour maintenir le circuit sous pression et la température d’ébullition au-dessus de 100°.
Ne pas confondre avec le bouchon du vase d’expansion (là où on rajoute le liquide) qui est un vulgaire machin en plastique. Le vase récupère le liquide qui « déborde » quand le moteur chauffe et lui permet de revenir dans le moteur quand il refroidit.
-
1er avril 2013 09:55, par Carthage
Ce message répond à ...
« Ne pas confondre avec le bouchon du vase d’expansion »
Merci.
J’avais confondu (comme tout le monde l’aura compris).
-
-
-
-
1er avril 2013 09:11, par Carthage
Ce message répond à ...
« L’autre solution, tu notes le n° de série et tu vas sur le site Volvo »
Ah bah ? J’aime !!!
-
4 avril 2013 00:34, par Carthage
Ce message répond à ...
-
-
-
-
-
31 mars 2013 19:53, par Carthage
Ce message répond à ...
Le manuel d’atelier, je l’ai, ainsi qu’une notice en images sur l’entretien de base, le manuel du propriétaire, et encore un autre truc. Mais sauf la notice, je pense qu’il me faut encore quelque mois et une certaine familiarisation avant de pouvoir utiliser tout ça !
-
31 mars 2013 21:17, par Alien
Ce message répond à ...
En tant que *# :\zxw** ! propriétaire d’un Volvo 2020 je peut te faire partager mon expérience.
Il y a un juge de paix implacable : le thermomètre.
Les tableaux de bord les plus rudimentaires n’en ont pas. Ils se contentent d’une alarme qui prévient trop tard.
La première chose à faire est d’installer une sonde et un thermomètre si il n’y en a pas.
Au régime de croisière (2200-2400 tr/mn) , la température reste en dessous de 80°C si tout va bien.
Or ces moteurs ont une maladie chronique : le coude d’échappement se bouche progressivement assez vite.Et ce beaucoup plus vite que l’entartrage du moteur.
J’ai du changer le mien (irrécupérable) à 750h .Autre cause de surchauffe : les morceau de caoutchouc (pales d’impeller) qui viennent s’accumuler à l’entrée de l’échangeur dans le gros coude en caoutchouc qui se trouve à l’avant du moteur, sur l’échangeur.
Avant de se lancer dans un détartrage : contrôler le coude d’échappement et l’état de l’échangeur !
Et surtout surveiller le thermomètre et en installer un si il n’y en a pas.-
31 mars 2013 21:56, par yvesD
Ce message répond à ...
Animateur
Et surtout surveiller le thermomètre et en installer un si il n’y en a pas.
Ca c’est parler d’or, toujours avoir un thermomètre même si pas en med et noter les valeurs habituelles (croisière, 15’ à régime max, etc ...) dans le LdB (pour les autres). Ca coute une misère, même en VDO, chez les fournisseurs pour deltaplane
Ca sert aussi à valider le thermostat sans le déposer, au départ dans la phase de montée en température on voit nettement la chute de température lorsque le thermostat s’ouvre pour la première fois, s’il s’ouvre.Enfin concernant les débris d’impeller, là aussi ta parole est d’or. L’instructeur du stage volvo vers 2000 recommandait de toujours « reconstruire » la totalité de l’impeller explosé avec les morceaux retrouvés, on devait retrouver tout. J’ai trouvé des derniers morceaux jusque dans le faisceau mais tous retrouvés.
Et concernant le bouchage du coude, le mécanicien de PPR m’avait appris qu’un moteur qui ne monte plus à son régime max, toutes choses égales par ailleurs, est souvent affligé d’un coude obstrué.
-
1er avril 2013 09:27, par Carthage
Ce message répond à ...
... « et épaisseur du vécu »
et c’est quoi, CA ? Le vécu du moteur, des durites, ou du nul épais ?

-
-
1er avril 2013 09:35, par Carthage
Ce message répond à ...
« Avant de se lancer dans un détartrage : contrôler le coude d’échappement et l’état de l’échangeur ! »
J’imagine que, refroidissement direct ou indirect, ce que tu dis est forcément vrai pour le coude d’échappement. Et qu’il faut démonter celui-ci pour voir son état...
« Et surtout surveiller le thermomètre et en installer un si il n’y en a pas. »
Ben voyons !
C’est quand même marrant ! Je poste sur un forum dans l’espoir de me simplifier la vie (vu que je ne toucherai PAS à ce bateau tant que je n’aurai pas compris exactement ce que je dois faire et comment on le fait, et les livres, c’est lourd)...
... et à chaque fois j’en reprends une couche !
OK, je vais vérifier s’il y a un thermomètre...
-
-
-
-
4 avril 2013 00:44, par Carthage
C’est l’horreur, je n’y comprends rien à ce moteur.
Je crois, je dis bien je crois, qu’il s’agit d’un moteur à refroidissement direct, parce que je n’ai pas vu de vase d’expansion, ni rien qui ressemble à une pompe à eau douce, d’après l’idée que je m’en fais.Mais il y a aussi des trucs très curieux.
D’abord, j’ai bien vu un filtre à huile et un filtre à gazole, et puis on s’arrête là. Pas vu de filtre à eau, ni de préfiltre à gazole.J’ai bien vu une jauge dans l’inverseur, mais il n’y a ni max ni min dessus. Elle ne se visse pas, non plus (comme elle devrait si elle obéissait au manuel), elle s’enclique... vaguement. Alors pour savoir où est le niveau correct...
Plus curieux : il y a une vanne au ras de la coque, sur un tuyau qui semble sortir de la coque, devant l’alternateur. J’ai cru que c’était l’entrée eau de mer ; mais le tuyau ne va pas vers la pompe à eau de mer, il s’en va vers l’arrière, sous l’inverseur, et je ne sais pas ce qu’il y fait.
Par contre, je ne vois pas le moindre tuyau qui se dirigerait vers la pompe... La pompe à eau de mer, c’est bien le truc avec un couvercle plat, rond et vissé, à l’avant du moteur, à droite de l’alternateur ? Ou je me trompe ?
Je suis maladroite avec les photos, voilà déjà la jauge de l’inverseur :
-
4 avril 2013 07:13, par Négofol
Ce message répond à ...
Animateur
Sur la jauge de l’inverseur, les niveaux maxi et mini correspondent au bas et au haut de l’encoche : le niveau d’huile doit être entre les deux.
-
4 avril 2013 07:32, par Négofol
Ce message répond à ...
Animateur
-
4 avril 2013 12:40, par Carthage
Ce message répond à ...
Merci (pour la jauge)
-
-
-
4 avril 2013 00:56, par Carthage
-
4 avril 2013 01:27, par Nevermind
Ce message répond à ...
C’est une pompe mais je pencherai plutôt pour le gasoil à cause des tuyaux rigides qui parent de la pompe.
-
4 avril 2013 01:33, par Carthage
Ce message répond à ...
La nuit est encore jeune, je vais me re-re-replonger dans les manuels Volvo. Peut-être bien que tu as raison (ces deux tuyaux me perturbent aussi), mais 1) l’emplacement, d’après les manuels, il me semble que c’est à peu près celui de la pompe à eau de mer ; et 2) où elle est la pompe à eau de mer, sinon ? Ils ne l’ont pas oubliée, quand même !
Faut préciser que ce moteur a été « reconditionné » par un professionnel du bricolage qui faisait très bien marcher les choses - mais pas forcément de façon orthodoxe ou compréhensible, semble-t-il. Toujours à l’économie, par contre. Ca promet.-
4 avril 2013 01:46, par Nevermind
Ce message répond à ...
En même temps il y’a un aspect rouillé sur la face avant.
le plus simple est de suivre les tuyaux : un va vers la coque et l’autre vers le moteur-
4 avril 2013 10:21, par Carthage
Ce message répond à ...
Vérifié : il s’agit bien de la pompe à eau de mer.
Je suis sur la piste des tuyaux.
-
-
-
-
-
4 avril 2013 01:04, par Carthage
-
4 avril 2013 01:30, par Nevermind
Ce message répond à ...
Blanc= inverseur
tuyau = échappement-
4 avril 2013 01:35, par Carthage
Ce message répond à ...
Donc le truc métallique couleur moteur et aspect tordu auquel se raccorde le gros tuyau, ce serait le coude d’échappement ?
C’est ce truc-là qui s’entartre ?-
4 avril 2013 01:54, par Nevermind
Ce message répond à ...
Oui c’est le coude, on doit pouvoir le démonter mais dans ce cas il faut changer le joint
-
4 avril 2013 02:08, par Carthage
Ce message répond à ...
Je vais regarder le manuel...
-
4 avril 2013 07:59, par Nevermind
Ce message répond à ...
Le tuyau passe au dessus du coude, on le voit bien sur la photo, je ne pense pas qu’il rentre dans l’échappement avant.
-
4 avril 2013 10:24, par Carthage
Ce message répond à ...
Le tuyau qui me surprend, ce n’est pas le très gros qui sort du coude, c’est le transparent qui va dessous.
On le voit mieux décrire une boucle sur la photo suivante (celle qui, normalement, suit ce message).
-
-
-
-
-
-
-
4 avril 2013 01:06, par Carthage
-
4 avril 2013 01:32, par Nevermind
Ce message répond à ...
Échappement avec mélangeur eau de mer en inox
-
-
4 avril 2013 01:08, par Carthage
-
4 avril 2013 01:34, par Nevermind
Ce message répond à ...
Les petits tuyaux=injecteurs
-
4 avril 2013 01:38, par Carthage
Ce message répond à ...
Voui, ça je m’en souvenais (stage STW, j’’avais bien aimé, l’animateur était excellent, j’en étais partie avec l’idée qu’un moteur, c’est très beau et très simple ; je n’ai pas encore tout à fait changé d’avis, malgré le mien !).
-
-
4 avril 2013 07:43, par Nevermind
Ce message répond à ...
Si tu regardes bien en bas à droite de la photo il y a un tuyau noir avec un collier , peut être l’entrée d’eau à vérifier avec une autre photo
-
4 avril 2013 12:42, par Carthage
Ce message répond à ...
tuyau noir : oui, très probable (voir photo postée plus bas par quelqu’un d’autre)
-
-
-
4 avril 2013 01:10, par Carthage
-
4 avril 2013 01:37, par Nevermind
Ce message répond à ...
Le noir = usure de la couroie de l’alternateur
À changer-
4 avril 2013 01:40, par Carthage
Ce message répond à ...
J’avais un peu pensé à ça, bien qu’elle soit bien tendue ; merci de ta rassurante confirmation, si c’est ça c’est pas bien grave.
-
4 avril 2013 01:50, par Nevermind
Ce message répond à ...
Il est préférable de la changer car elle commence à se délaminer, elle va se casser.
-
4 avril 2013 02:06, par Carthage
Ce message répond à ...
Me suis mal exprimée ! « si c’est ça c’est pas bien grave »... puisqu’il suffit de la changer, et qu’évidemment je vais le faire tout de suite tant qu’il n’y a pas encore d’ennuis !
-
4 avril 2013 06:49, par Négofol
Ce message répond à ...
Animateur
La photo 1 montre bien la pompe à eau de mer :
La pompe de la photo semble avoir pas mal vécu et le couvercle est monté à l’envers (soit par erreur soit volontairement retourné parce qu’il était usé et que le rendement de la pompe s’en ressentait).
Pour info, il existe un couvercle de remplacement avec joint torique et vis moletées qui permet d’intervenir rapidement et sans outils :
http://www.speedseal.com/Pages/tech...
-
4 avril 2013 06:52, par Négofol
Ce message répond à ...
Animateur
Sur ce moteur Volvo (c’est bien un refroidissement direct), il est un peu bizarre : l’eau de mer passe d’abord par l’échangeur de l’inverseur pour le refroidir avant de passer par la pompe d’eau brute, ce qui explique le tuyau qui va vers l’arrière. Sur la photo ci-dessous, on voit le raccord à l’arrière en dessous de l’inverseur.
Le coude d’échappement (exhaust elbow) est aussi bien noté.
-
4 avril 2013 06:54, par Négofol
Ce message répond à ...
Animateur
L’eau de mer, en sortie de l’inverseur, passe par la pompe à eau de mer, qui est donc raccordée en tuyaux rigides, ce qui est assez inhabituel. Bien visible sur la photo ci-dessous.
Le pot d’’échappement en inox est susceptible de se percer à terme. A surveiller, bien qu’il ait l’air épais et récent (mais traces de rouille)..
En général, on préfère plastique ou fibre de verre.
-
4 avril 2013 07:06, par Négofol
Ce message répond à ...
Animateur
Un filtre à eau de mer, ça ressemble à la photo jointe.
Coût : environ 100 Euros. Ca se monte simplement entre la vanne de coque et l’entrée moteur (ici l’inverseur) en coupant le tuyau (qu’il serait de toutes façons utile de changer). Colliers inox doubles obligatoires. Plusieurs modèles en fonction du diamètre du tuyau.
Certains le montent assez haut pour que le couvercle soit au-dessus de la flottaison pour pouvoir l’ouvrir pour le nettoyer plus facilement, mais ce n’est pas une obligation (il suffit de fermer la vanne de coque). Pas strictement nécessaire, mais utile...
Dans le cas d’un Vetus 330 (photo), penser à acheter la clé spéciale en croix pour le couvercle ou à en faire une dans un bout de contreplaqué...
-
4 avril 2013 07:49, par Nevermind
Ce message répond à ...
Pourquoi une clé, je l’ai toujours serré à la main.
-
4 avril 2013 08:21, par Négofol
Ce message répond à ...
Animateur
C’est ce qui est recommandé, mais, pour avoir vécu le coup du couvercle bloqué, une clé genre raquette de ping-pong avec la découpe en croix, est une bénédiction, surtout si l’accès est malaisé pour une clé à sangle.
-
4 avril 2013 10:31, par Carthage
Ce message répond à ...
Et c’est quoi, une clé raquette de ping pong avec croix ?
-
4 avril 2013 11:16, par Négofol
Ce message répond à ...
Animateur
Sur ce modèle de filtre, il y a une croix en relief sur le couvercle, qu’il n’est pas facile de desserrer avec un outil courant s’il est trop serré.
La solution est de fabriquer un outil en contreplaqué avec une forme circulaire au diamètre du couvercle (ou un peu plus), dans laquelle on découpe une forme en croix qui vient s’emboîter sur le couvercle, avec un manche pour pouvoir tourner facilement : ça ressemble en gros à une raquette de ping-pong.... Voir ci-dessous
Sinon ça se trouve chez certains Ship (25 Euros env)...
-
4 avril 2013 12:44, par Carthage
Ce message répond à ...
Celle-là, si je la vois, je ne risque pas de la confondre avec autre chose !
-
-
-
-
-
4 avril 2013 08:04, par yoruk
Ce message répond à ...
Animateur
Juste pour étonner une étonnée
Attention aux filtres à eau. Celui mis en exergue par Négofol doit un être un Vetus me semble t il. J’ai le même. Mais… il existe deux versions suivant qu’il s’installe au dessus, ou au-dessus du niveau d’eau… Ce qui mérite réflexion, surtout quand on l’ouvre… S’il est situé sous le niveau d’eau, mieux vaut avoir fermé la vanne d’eau avant !!! De toute façon, on s’en rend compte assez rapidement…
La règle de sécurité, donnée par les Glénan : la vanne d’eau est toujours fermée, et… la clé de contact se trouve rangée sur… la vanne… Bête pense-bête
Cordialement
Michel-
4 avril 2013 08:23, par Négofol
Ce message répond à ...
Animateur
Le catalogue Vetus recommande l’installation 15 cm au-dessus de la flottaison et je n’ai trouvé qu’un modèle. Par contre, pas toujours possible...
-
4 avril 2013 08:36, par yoruk
Ce message répond à ...
Animateur
Effectivement, c’est ce qu’indique le catalogue, et pourtant... Vetus propose des fitres “à installer sous le niveau” de la mer... Ce qui m’avait été imposé par un mécanicien de Vento di Venetia, en 2007... il est vrai qu’à Venise, ils savent gérer les niveaux d’eau....
La photo suit dans qq instant
Michel-
4 avril 2013 09:05, par yoruk
Ce message répond à ...
Animateur
-
4 avril 2013 10:13, par Négofol
Ce message répond à ...
Animateur
En fait, il ne semble pas qu’il y ait de modèle particulier. Simplement Vetus conseille de tout installer au-dessus de la flottaison par principe de précaution et pour éviter les procès. L’installation sous la flottaison devient la responsabilité de l’installateur / propriétaire s’il « oublie » la vanne...
-
4 avril 2013 10:19, par yoruk
Ce message répond à ...
Animateur
Merci Francis
A ma connaissance, c’est le principe de montage de tous le Yanmar 4JHTE des 425 Voyages 12.50 construits par Jeanneau... Je ne vois pas où l’installer ailleurs...
Mais c’est anecdotique, juste une observation pour Carthage qui ré-équipe une illustre ancêtre, où le problème peut éventuellement se poser... Si je n’avais pas eu à changer mon filtre à Venise, et si je n’étais pas tombé sur un bon pro, je passais au travers...
Michel -
19 avril 2013 13:33, par yoruk
Ce message répond à ...
Animateur
Mise au sec, c’est un gag
Attention à fermer la vanne d’arrivée d’eau de mer, du filtre de refroidissement moteur, s’il est placé sous le niveau de l’eau.
Vous risquez, et c’est ce qui vient de m’arriver, de désamorcer le tuyau d’apport vers l’inverseur (c’est mon cas, il est situé 3 cm en dessous le niveau du filtre).
Il se forme une bulle d’air, qui désamorce le circuit… impossible de faire circuler l’eau à la remise à la mer… Il faut démonter le couvercle du bol, faire remonter le niveau, refermer le couvercle et relancer le moteur pour amorcer le circuit… Tout ça bien sûr, solo, au milieu du port avec 20 nœuds de vent !!! Rien que du bonheur
Donc, paradoxe : à la mise au sec, fermer la vanne d’arrivée d’eau moteur

Michel
-
-
-
-
-
4 avril 2013 09:04, par Pil-Poil
Ce message répond à ...
« La règle de sécurité, donnée par les Glénan : la vanne d’eau est toujours fermée, et… la clé de contact se trouve rangée sur… la vanne… »
Règle bien adaptée à la navigation en club et à l’ancienne, avec bateau dont le moteur est (réellement) auxiliaire, plus équipage expérimenté qui se sort des pires mauvais cas à la voile pure

Sur un bateau familial bien conçu et entretenu, le risque causé par une vanne moteur ouverte en navigation côtière en journée est (amha) bien moindre que celui de ne pas arriver à démarrer le moteur en cas d’urgence parce que la clé est tombée dans les fonds et/ou que la position de la vanne est inconnue par le petit dernier qui est le seul à pouvoir descendre dans les fonds sans vomir

-
4 avril 2013 09:11, par yoruk
Ce message répond à ...
Animateur
Pour naviguer, un peu... En fait, on installe un petit panneau pense bête du style « Vanne ouverte d’un côte du panneau » et vanne fermée de l’autre... Cà, c’est en navigation, ou effectivement démarrer en urgence peut avoir de l’importance... Mais, si on s’absente plus longtemps, la sécurité sera de mettre la clé de contact (pour ceux qui en sont équipés)... sur la vanne... Qui doit être obligatoirement fermée , quand on quitte le bateau, ne serait ce que pour quelques heures...
Michel-
4 avril 2013 09:37, par ernestpt
Ce message répond à ...
Aux niveaux des pratiques, la mienne, qui n’est que la mienne et pas un exemple à prendre les yeux fermés, hein.
En mer, quand j’arrête le moteur, je laisse la clé sur le contact, sachant que j’ai abrité tout le tableau extérieur du moteur sous un plexiglass pour éviter que les coups de bottes ne viennent jouer à Bruce Lee. Ensuite je descends, je ferme l’arrivée d’eau ET les gros consommateurs d’eau comme le frigo. Quand je redémarre le moteur (1/4 d’heure avant de monter dans les tours, cf les conseils de Monsieur Yanmar, j’ouvre à nouveau ma vanne. Si je remets en service les gros suceurs d’électrons, c’est bien sût une fois que le moteur tourne, avant, tout complément électrique peut être utile.Sachant :
que je n’ai pas d’éolienne, hydrolienne ou panneaux solaires
que ça c’est bien sûr pour une à deux heures au moins (mais j’éteins toujours le frigo)
que quand je vais attaquer le raz de Sein ou le Four, je laisse la vanne ouverte, ou je descends l’ouvrir : en cas de mistigri, je peux tout gérer d’en haut. II y a des risques plus prégnants que d’autres. Là je passe en mode « postes de chenalage »voili voilou
-
-
4 avril 2013 10:41, par Carthage
Ce message répond à ...
Quand même pas mal pour une tête à l’évent, cette idée de la clé sur la vanne (très accessible chez moi, si c’est la bonne).
En plus, comme il faut enlever les marches de la descente pour accéder au moteur, je suis sûre que ma paresse naturelle me conduirait quatre fois sur cinq à faire l’impasse sur les vérifications d’usage avant départ (huile et autres). Et à oublier la vanne.
Tandis que si je dois ouvrir de toutes manières pour chercher la clé...
-
-
-
-
4 avril 2013 10:36, par Carthage
Ce message répond à ...
Circuit de l’alimentation eau de mer : inhabituel, je ne sais pas, mais apparemment normal pour ce moteur : ta photo, elle vient du Workshop manual, non ? En tous cas je l’ai vue au cours de ma folle nuit.
Traces de rouille sur le mélangeur : oui, et ailleurs aussi.
Ca se peint, l’inox ?
On me l’avait bien dit, dans ma jeunesse, qu’un marin ça salue tout ce qui bouge et ça peint le reste. Me v’là en cours de transformation...-
4 avril 2013 12:48, par Négofol
Ce message répond à ...
Animateur
Les photos viennent bien du manuel.
Normalement on ne peint pas l’inox qui dépend de l’oxygène de l’air pour former la couche d’oxyde qui le protège.
Pas beaucoup d’inox sur les « gros », d’où peinture fréquente ! -
6 avril 2013 12:17, par Négofol
Ce message répond à ...
Animateur
En fait, je viens de trouver un écorché de l’inverseur où on voit bien ce tuyau (jaune) qui entre derrière le tourteau, fait un oméga autour de l’arbre de sortie et ressort vers la pompe à eau de mer.
En y repensant, ces inverseurs avaient de nombreuses parties communes avec les sail-drive (c’était l’époque où Volvo fabriquait encore ses moteurs et transmissions) et ce principe est utilisé sur les sail-drive, où la prise d’eau sur la jambe permet de refroidir l’huile de la tranmission par la circulation d’eau froide aspirée dans la fonderie. Il était logique de reprendre le principe sur la transmission classique.
Simple et astucieux ! Bonne application du principe KISS !
-
-
-
-
4 avril 2013 10:48, par Carthage
Ce message répond à ...
« Pour info, il existe un couvercle de remplacement avec joint torique et vis moletées qui permet d’intervenir rapidement et sans outils »
Ca marche vraiment ? Il ne vaut pas mieux remettre une pièce Volvo ? C’est extrêmement tentant, ce Speedseal !-
4 avril 2013 12:42, par Négofol
Ce message répond à ...
Animateur
Ca marche vraiment. 99 % des pompes à eau de mer viennent de chez Johnson Pumps, Jabsco ou Sherwood (avec peut-être quelques copies chinoises...). Ce n’est pas un produit Volvo...
-
4 avril 2013 12:45, par Carthage
Ce message répond à ...
Vendu, et comment ! (speed seal)
-
-
-
-
-
-
-
-
-
4 avril 2013 11:02, par Carthage
Conclusion provisoire : d’abord, un immense merci à tous. Je ne suis pas trop mécontente de moi, car j’avais réussi à identifier quelques bricoles, mais je ne m’y serais pas fiée... Avec vos réponses, le terrain me paraît nettement plus solide ! Le circuit de l’eau me paraît bizarre, m’enfin, c’est apparemment normal.
De vos réponses, je déduis que :
° le couvercle de la pompe à eau de mer est à changer, le Speedseal est rudement tentant (ne nécessite pas de force ni d’opérations compliquées).
° la courroie de l’alternateur aussi.
° ainsi que la plupart des tuyaux souples (et je ne sais pas mettre les colliers ; je vais m’entraîner sur tuyau d’arrosage et colliers pas chers).
° si le coude d’échappement est à démonter, je suis bien embêtée : je n’ai rien vu dans le workshop manual. Je sais qu’il y a des discussions, ailleurs...
° peinture du moteur au minimum à retoucher. Voir ce qu’on peut faire pour le mélangeur et la prise d’air, pas mal rouillée aussi. Mais tout ce qui est peinture attendra quelques mois.Voilà un bon début de checklist. Reste deux problèmes : le filtre à eau de mer, il me semble invraisemblable qu’il n’y en ait pas ; et pourtant... Je vais continuer à chercher, et s’il n’y en a réellement pas, je me sentirai mieux après en avoir installé un, très très haut ! Deuxième problème, le thermomètre + sonde ; pas repérés ; à trouver, et en leur absence, à installer.
Je n’ai pas fait de photo du tableau de bord du moteur, j’ai eu tort ; je pense que ce n’est pas celui du moteur d’origine, il est beaucoup plus simple, pas sûr qu’il y ait le moindre voyant. Une alarme sonore, par contre, qui s’est mise en route deux fois à l’automne (d’où mes angoisses de ce printemps).
-
4 avril 2013 13:12, par Négofol
Ce message répond à ...
Animateur
Pour installer le filtre, penser à laisser assez d’espace pour ouvrir le couvercle et sortir le panier pour le nettoyage....
Voilà ce que j’ai trouve qui semble montrer que l’eau va du carter du thermostat et du collecteur d’échappement au coude d’échappement.
Le coude n’est pas donné (et pourtant Marine Parts d’où vient cette page est réputé peu cher) !
-
6 avril 2013 15:45, par Carthage
Ce message répond à ...
Eh ben, si Marine Parts n’est pas cher, on a drôlement intérêt à coucouner son Volvo Penta pour éviter la casse ! Je l’avais déjà vu, et j’avais reculé d’horreur.
-
-
-
4 avril 2013 12:14, par Carthage
Après promenade ... ailleurs... il semble qu’effectivement les Volvo 2002 à refroidissement direct ne comportent pas de filtre eau de mer.
Impensable ! A corriger.-
4 avril 2013 12:27, par Pil-Poil
Ce message répond à ...
Les Ovni d’il y a quelques années étaient souvent montés sans filtre à eau de mer, et le mien n’a pas fait exception à ce défaut durant 15 ans et qu’enfin je corrige cette lacune ...
Un plaisancier que je connais bien, en passant la canal du midi avec son Ovni a bouzillé une bonne demi-douzaine de turbines (en caoutchouc) de la pompe à eau de mer parce que dans le canal du midi le circuit aspirait quantité de déchets !
Donc on peut vivre heureux très longtemps sans filtre à eau de mer, jusqu’au jour malheureux où ....
-
4 avril 2013 12:48, par Carthage
Ce message répond à ...
Je ne sais pas si je vivrai très longtemps avec mon bateau ; mais je tiens à y vivre avec le minimum de problèmes !
En plus... ça me choque horriblement, cette absence de filtre. Pas propre. Pas correct.
Il me paraît un peu drôle, ce moteur. Presque bricolo.-
6 avril 2013 12:35, par Négofol
Ce message répond à ...
Animateur
C’était un moteur de bonne réputation et un des derniers vrais moteurs marins...
Le filtre fait partie de l’installation et laissé à l’appréciation de l’installateur, rien à reprocher à Volvo sur ce point ! Il est bien noté équipement optionnel sur le manuel d’utilisation.-
6 avril 2013 12:55, par tilikum
Ce message répond à ...
En pratique, s’il n’y a pas de filtre il y a bien une crépine !
L’avantage de la crépine est sa simplicité et son prix... l’inconvénient majeur est qu’il faut plonger pour la nettoyer !
Si on installe un filtre à l’intérieur, il est préférable de remplacer la crépine par un simple passe coque...
_/)
-
6 avril 2013 15:42, par Carthage
Ce message répond à ...
Aïe, aïe, aïe... à quoi ça ressemble, une crépine ?
Serait-ce une espèce de petite grille qui obstrue un passe-coque ?
Je me souviens que lors du carénage j’avais vu un truc comme ça, mais je ne me rappelle pas où.-
6 avril 2013 15:46, par yoruk
Ce message répond à ...
Animateur
Oui c’est çà, c’est une grille de protection pour les alimentations, activées par des pompes. On protège la pompe des déchets qui pourraient la gripper
Michel-
6 avril 2013 16:24, par Carthage
Ce message répond à ...
Voilà une bonne nouvelle, il existe tout de même une certaine protection.
Mais si ça se bouche... l’eau du port d’Hendaye ne me tente vraiment pas. Surtout en ce moment (non seulement sale, mais froide en plus). Donc modif à envisager lors du carénage.
-
-
-
6 avril 2013 17:09, par Négofol
Ce message répond à ...
Animateur
Sur les « gros » bateaux, il y a les deux : une crépine sur la prise d’eau (appelée en général boite à eau) et un filtre à panier (appelé boite à vase)...
Par sécurité, il y a souvent deux boites à eau réunies par un tuyau dit traverse où se font les prises d’eau diverses : comme ça, si une se bouche, l’autre continue à débiter.
Par ailleurs, entre la boite à eau et la vanne de traverse, une petite vanne permet de nettoyer la crépine en envoyant de l’air comprimé à contre courant, après avoir coupé la vanne d’eau, puis de purger le circuit de l’air avant de rouvrir la vanne.
Ca évite de plonger....
C’était la minute du parano !
Sur la photo : la boite à eau au fond, les vannes et la boite à vase entre les vannes... et c’est un « petit gros » !
-
6 avril 2013 18:04, par Carthage
Ce message répond à ...
un peu ambitieux tout de même pour Carthage, je trouve !
Et est-ce qu’il ne faut pas une pompe d’autant plus puissante qu’on multiplie les sécurités ? -
7 avril 2013 18:55, par tilikum
Ce message répond à ...
En plaisance, le plus beau que j’ai vu dans un voilier anglais de 60’ :
- A bâbord, un passe-coque, une vanne, un filtre, une vanne, un coude à 90° vers tribord.
- A tribord, un passe-coque, une vanne, un filtre, une vanne, un coude à 90° vers bâbord.
- Entre les deux coudes, une clarinette horizontale avec une vanne pour chaque usage, moteur, GE, toilettes, dessal, frigos, clims.
Ce montage permet de nettoyer un des filtres en l’isolant par ses deux vannes sans arrêter quoi que ce soit, je trouve cela d’une fiabilité intelligente et absolue !

Sur ce même voilier, j’ai dû intervenir sur l’installation électrique, et sans grand espoir demandé s’il y avait les schémas électriques... ben oui, il y avait bien les schémas, mais comme je n’en ai jamais vu en plaisance :
- Chaque câble était équipé d’une étiquette blanche écrite en noir à chaque extrémité, enfermée dans une gaîne thermorétractable translucide et étanche...
- Chaque câble était référencé avec sa section...
- Chaque câble était référencé avec sa longueur...
- Et détail qui tue : il était indiqué la chute de tension du câble avec l’appareil concerné en marche !

_/)
-
7 avril 2013 19:21, par Négofol
Ce message répond à ...
Animateur
La solution de prises d’eau doubles est exactement celle utilisée sur les gros navires, même si on la voit rarement en plaisance.
-
7 avril 2013 19:26, par yoruk
Ce message répond à ...
Animateur
Vouiiiii Francis, mais sur nos petits navires, ce serait plutôt la chasse aux passes coques inutiles... Sur le 12.50, j’avais 13 passes coques et vannes pour 40 pieds. j’ai réussi à en supprimer 4 reste 9... bien de trop...
Michel-
8 avril 2013 12:35, par Négofol
Ce message répond à ...
Animateur
Il reste du boulot : un petit bateau avec des circuits type gros aurait 4 passe-coques : 2 prises d’eau de mer, une sortie eaux grises et une vidange eaux noires (au large).
L’intérêt de la traverse-clarinette est justement de regrouper toutes les prises d’eau de mer : moteurs, groupes, service général, incendie, ballast et autres sur un seul point.-
8 avril 2013 12:44, par yoruk
Ce message répond à ...
Animateur
Oui vraiment d’accord avec l’intérêt de la traverse-clarinette...
Mais le problème sur les voiliers modernes est celui de la plomberie... Pas trop de place pour faire passer les tuyaux. Si bien que la solution de facilité est de percer un trou juste sous (ou très près) l’utilisateur...
Sur la bateau anglais de 60 pieds dont parlais Fred, çà peut se concevoir. Sur nos bateaux actuels dévoyés par le marketing touristique... Cà devient difficile. Et encore, sur le V 12.50, çà va, je n’ai pratiquement aucun contre moulage. Mais j’ai connu des voiliers de 36 pieds (Sun-Dance), équipés avec 3 cabinets de toilettes... aïe, aïe...
Michel-
8 avril 2013 13:00, par yoruk
Ce message répond à ...
Animateur
Alors, en économisant les trous…
L’existant :- un pour l’alimentation du refroidissement moteur
- Cabinets de toilette bâbord : 3
- un pour l’admission de l’eau mer des WC
- un pour l’évacuation des WC
- un pour l’évacuation du lave main, couplé avec celle des douches (ouf !!!)
- Cabinets de toilette tribord : 3
- un pour l’admission de l’eau mer des WC
- in pour l’évacuation des WC
- un pour l’évacuation du lave main, couplé avec celle des douches (ouf !!!)
- 2 pour la cuisine
- un pour la pompe à eau de mer, couplé avec la pompe de refroidissement du frigo-boat, (ouf !!!)
- un pour l’évacuation des éviers , couplé avec l’évacuation de la pompe de refroidissement du frigo-boat, (ouf !!!)
“9 en tout”… et je trouve çà énorme… je vais surement sacrifier les toilettes tribord, dont la cuvette des WC se trouve sous le niveau de la mer… si, si…
Michel
-
-
8 avril 2013 22:57, par Carthage
Ce message répond à ...
Eh ! Oh ! C’est un ARPEGE, de 1968 !!!
Eaux noires ? Et pourquoi pas le chauffage, un chauffe-eau, et un micro-ondes tant qu’on y est ? Sans parler de la télé ?
Je vois Yoruk qui parle de 3 cabinets de toilette... moi, j’ai un lavabo, un WC, et un évier double, mais on lave la vaisselle dans un seau, parce que les éviers, franchement, dès qu’on y a mis trois tasses ils sont pleins. Pour la toilette par contre ils sont plutôt mieux que le lavabo : on tient debout devant..
Et c’est très bien comme ça ! Ca fait tout de même déjà ... euh... 4 trous, plus les passe-coque du sondeur et du loch.
J’aime bien la clarinette, mais le pipeau a son charme.
-
-
-
7 avril 2013 19:33, par Carthage
Ce message répond à ...
Pour le rinçage, avec ce système double, ça ne doit pas être simple ?
-
-
7 avril 2013 19:30, par Carthage
Ce message répond à ...
pour l’électricité, c’est exactement ce qui est préconisé dans PBO et les bouquins anglo-saxons : étiquetage sous gaine thermorétractable, document de référencement... mais la chute de tension, chapeau bas !!!
Inutile de te demander si le câblage était en cuivre étamé...
-
-
-
-
-
-
-
6 avril 2013 16:10, par Carthage
J’envisage, inch’Allah et si Dieu le veut bien, de filer à Hendaye demain.
Je tenterai la recharge de la batterie avec le p’tit chargeur de ma Maman.
J’en profiterai pour nettoyer les cosses et les graisser (quelle graisse ? à vérifier).
Je regarderai d’un peu près les durites et les colliers : état (généralement pas terrible), diamètres, longueurs. Et les anodes, si on peut regarder ça sans démontage préalable.Question : ça s’achète où, les durites ? Chez Volvo, chez le ship, ou chez Lerinpinpin ?
Lundi matin, je vais me ruiner chez Volvo (filtres, courroie de l’alternateur, huile). L’huile de l’inverseur m’a l’air toute claire et en quantité suffisante, faut quand même penser à demander si c’est la même (15W40) ou une autre.
Après... je vais commencer par huile et gazole (filtres, vidange,anode, plein).
Puis la courroie de l’alternateur. Sachant que je suis armée du livre de J-L Pallas, et que je n’ai pas compris grand’chose à la manip. Sur place ce sera sans doute plus clair.Et si nécessaire et si j’y arrive, changement de durites.
Pour le circuit d’eau il me manque encore le merveilleux bouchon Speedseal. Donc ce sera une deuxième étape. Déjà si j’arrive à faire ça, ce sera génial !
-
6 avril 2013 16:27, par Pil-Poil
Ce message répond à ...
Pour le bouchon Speed Seal j’ai une autre solution que j’utilise : achat d’occasion de la pompe à eau de mer complète aux puces sur le Web (une centaine d’€). La pompe complète se remplace sur le moteur en 1/4 d’heure par 4 vis. Ainsi j’ai toujours sous la main une pompe complète prête à être montée à la place de la précédente, que je ramène à la maison pour lui faire sa toilette annuelle tranquillement.
Reste à voir si sur le 2002 c’est faisable comme sur le mien.
-
6 avril 2013 16:36, par Carthage
Ce message répond à ...
Ca, c’est une idée géniale. Oui, je crois que le remplacement est faisable sur le 2002. Je vais vérifier.
Mais il me faut tout de même le Speed Seal, puisque le couvercle actuel est pas mal flingué.
Ca n’empêche pas ! -
7 avril 2013 15:32, par Négofol
Ce message répond à ...
Animateur
Quand on voit le dessin du catalogue, la dépose sur un 2002 ne parait pas si simple : il faut apparemment déposer le clip de blocage (absent sur la photo), déposer les boulons de fixation des tuyauteries rigides et les déboîter pour déposer la pompe, puis les remonter en changeant le petit joint.... Pas simple à faire la tête en bas si ça bouge un peu : la dépose du couvercle et à fortiori le speedseal semblent plus raisonnable !
-
-
6 avril 2013 16:30, par Négofol
Ce message répond à ...
Animateur
L’huile de l’inverseur est en général indiquée dessus. Ca peut être très varié suivant le modèle. Elle reste claire car il n’y pas le carbone de combustion qui noircit l’huile moteur. Par contre, si elle est grise ou d’aspect « mayonnaise », entrée d’eau, danger !
Ci-joint tableau, si ça peut aider....
-
6 avril 2013 16:34, par Carthage
Ce message répond à ...
très utile, je l’imprime et je l’emporte.
Encore mieux : je n’avais pas le terme anglais pour inverseur (reverse gear), donc n’ai pas su le trouver dans le workshop manual ! J’y cours, ils le diront peut-être. -
9 avril 2013 18:50, par Carthage
Ce message répond à ...
Mon inverseur, il n’y a rien dessus ; ni indication d’huile, ni numéro, rien de rien. Dessous peut-être, mais je n’y ai pas accès. J’ai même pris des photos à l’aveuglette en espérant y voir ce que je ne voyais pas en direct.
Reste à chercher dans les manuels.-
9 avril 2013 19:20, par Négofol
Ce message répond à ...
Animateur
Normalement, sur votre moteur, c’est un MS2 (votre photo le confirme).
La plupart utilisent la même huile que le moteur, sauf le A/L-E, qui emploie une huile plus épaisse 75w90. (voir la planche)
Donc, si l’huile est fluide comme de l’huile moteur quand vous retirez la jauge, c’est de l’huile moteur (15w40), soit elle est épaisse comme du miel et c’est de la 75w90.
Peu probable que vous ayez un MS2A/L-E qui est plus récent et était monté sur les 2020.
Donc huile moteur : élémentaire mon cher Watson !-
9 avril 2013 22:49, par Carthage
Ce message répond à ...
oui... l’huile dans mon inverseur est effectivement bien fluide.
Mais je n’ai pas le souvenir que nous l’ayons changée (l’an dernier, c’est un copain qui avait fait la vidange).
Si nous l’avons changée, je suis sûre que nous y avons mis de l’huile moteur.
Et si c’est le précédent propriétaire, il aura fait de même, c’est sûr.
Ce qui ne veut pas dire que c’était bien ce qu’il fallait faire !
-
-
-
-
6 avril 2013 16:40, par Négofol
Ce message répond à ...
Animateur
Pour les cosses de batterie, nettoyer d’abord avec un chiffon humide s’il y a des dépôts blancs, puis graisser pour isoler de l’air.
Il existe des graisses spéciales comme :http://www.graisse-belleville.com/p...
mais la « recette traditionnelle », appelée d’ailleurs dans les manuels militaires, est de la vaseline....
Sinon, une bonne graisse traditionnelle blonde ou blanche marche aussi, pani problem !
-
10 avril 2013 04:10, par tilikum
Ce message répond à ...
En ce qui me concerne, je déteste travailler sur un parc de batteries dont les cosses sont gavées de graisse... c’est absolument dégueulasse... et rarement efficace !
Je préfère de loin utiliser les produits en spray de chez CRC « Heavy Duty Corrosion Inhibitor » , ça tient facilement dix ans...
Le produit pue, ne sèche jamais vraiment, et colle aux doigts, mais ça ne bouge pas dans le temps.
Ceci me ramène à l’époque où j’étais apprenti, vers le milieu des années 60’... à l’époque, les couvercles des éléments de batteries étaient scellés avec du brai...
On récupérait ce brai, on le mettait dans un bocal avec un peu d’essence pour le diluer avec un pinceau à poste, pour badigeonner les cosses de batteries... ça puait autant que le produit cité plus haut, était aussi efficace, pour un prix de revient... presque nul !

_/)
-
-
7 avril 2013 08:58, par Négofol
Ce message répond à ...
Animateur
Les durites moteur peuvent s’acheter chez Volvo, mais les pièces d’origine sont souvent chères.
Je connais des personnes qui se fournissent en durites silicone dans les boutiques spécialisées pour automobile de compétition (certaines vendent sur Internet : bonne qualité et prix raisonnable, par exemple : http://www.nsbconcept.com/614-durit...).
Les autres tuyaux : aspiration d’eau, échappement, se trouvent chez les ship. Attention pour l’aspiration, il faut un tuyau qui résiste à la dépression, donc armé.
Il n’est pas vraiment recommandé, et d’ailleurs interdit, d’utiliser du tuyau d’arrosage PVC comme on le voit parfois !
Pour l’huile, l’hypermarché est une bonne source à prix raisonnable, vérifier simplement le type sur le côté du bidon (dans votre cas API : CD, viscosité 15w40). Un moteur comme le 2002 n’est pas difficile, inutile d’acheter la super huile pour turbo....
http://muck.jeanclaude.free.fr/Clas... -
19 avril 2013 20:48, par Inconnu
Ce message répond à ...
Pour ce qui est de la courroie, si les particules noires se trouvent un peu partout autour de l’alternateur, et en quantité significative, il est possible que l’usure soit anormale et due soit à un désalignement de la poulie de l’alternateur avec celle de vilebrequin, soit à une taille de courroie inadéquate par rapport aux gorges des poulies...
Pour vérifier le désalignement, un coup d’œil peu suffire, sinon plaquer une règle sur la face d’une des poulies et voir si cela s’aligne bien sur l’autre poulie par laquelle passe la courroie.
Concernant une mauvaise taille de courroie, se référer aux notices constructeur : moteur / alternateur et vérifier l’existant (largeur de courroie et de gorge de poulie).
On est dans ce cas quand, après avoir changé la courroie, on s’aperçoit après quelques heures de moteur, que les bords de la courroie présente déjà des signes d’usure et que la poudre noire est projetée tout autour de la zone (il faut bien avoir nettoyé la zone autour de la courroie au moment de son remplacement évidemment).
Ce genre de problème peut survenir quand l’alternateur d’origine a été remplacé par un autre modèle (plus puissant en général) par exemple.
-
-
6 avril 2013 16:21, par Carthage
Dans le bouquin de Pallas, il dit que pour tendre la courroie (je crois), il faut légèrement faire tourner le moteur à la main.
Mais il est arrêté le moteur. D’ailleurs s’il n’est pas arrêté je n’y mets pas les mains.
Alors ? Ca veut dire quoi ?Il dit aussi qu’il faut commencer par ouvrir les coupe-circuit ; si je comprends bien, la batterie étant débranchée, ça n’est pas nécessaire ?
-
6 avril 2013 16:46, par Négofol
Ce message répond à ...
Animateur
Lorsqu’on parle de faire tourner le moteur, je pense qu’ il s’agit de faire un tour ou deux pour mettre la courroie « en place ». Faisable à la main (en décompressant), plus facile s’il y a une manivelle.
Autre solution : monter la courroie, la tendre comme ça et attendre le jour où on fera tourner le moteur pour la retendre après quelques minutes de fonctionnement (dans ce cas, penser à bien tirer le stop pour éviter tout risque...). C’est de toute façon à faire car la courroie s’allonge un peu en travaillant.
-
6 avril 2013 20:49, par Carthage
Ce message répond à ...
euh... en « décompressant » ? Faut tirer sur quelque chose ?
-
18 avril 2013 14:25, par yvesD
Ce message répond à ...
Animateur
virer n’es-il pas le terme qui convient pour « faire tourner le moteur » ?
Il est aussi nécessaire de déplacer un peu les poulies impliquées (en virant le moteur) sur leurs roulements à billes pendant qu’on tend progressivement la courroie pour éviter de fusiller un roulement (rare mais faisable), et ce d’autant plus qu’il faut souvent s’aider d’un pied de biche scabreux à placer dans des recoins obscurs pour tenter d’obtenir la tension nécessaire.
-
-
6 avril 2013 19:04, par tilikum
Ce message répond à ...
Lorsqu’on parle de faire tourner le moteur, je pense qu’ il s’agit de faire un tour ou deux pour mettre la courroie « en place ». Faisable à la main (en décompressant), plus facile s’il y a une manivelle.
Une autre solution (du feignant que je suis) : faire tourner le moteur au démarreur une seconde tirette de stop tirée.
Une astuce pour savoir si la courroie est suffisamment tendue : essayer de faire tourner l’alternateur à la main par son ventilateur, si c’est possible, la courroie n’est pas assez tendue.
A vérifier visuellement s’il n’y a pas de rouille sur les joues des poulies, qui agissent comme une râpe destructive des courroies si c’est le cas... !
_/)
-
7 avril 2013 10:13, par Carthage
Ce message répond à ...
oui, mais ça veut dire quoi, « décompresser » ?
-
7 avril 2013 10:22, par yoruk
Ce message répond à ...
Animateur
Décompresser les cylindres, faire tomber la compression. Il doit y avoir au dessus des cylindre (sur le dessus du moteur) des petits leviers que l’on actionne (c’est comme çà sur Yanmar)
Michel -
7 avril 2013 10:48, par Négofol
Ce message répond à ...
Animateur
Sur les vrais moteurs marins, espèce disparue, mais dont le votre fait partie, il y avait une manette qui permettait de bloquer les soupapes ouvertes afin de faciliter la rotation du moteur en supprimant la phase de compression de l’air dans le cylindre. On lancait le moteur à la manivelle et le moteur démarrait lorsqu’on relâchait le décompresseur (certains se libéraient tous seuls quand on atteignait la bonne vitesse).
Même avec un démarreur électrique, ça permet de faire tourner le démarreur avec une batterie faible.
Sur le 2002 c’est un levier sur le culasse à gauche au dessus du filtre à carburant (decompression device sur la photo que j’ai postée plus haut). Je ne sais pas si il y en a sur toutes les versions, sachant que, s’il n’y en a pas, il est quasi impossible de faire tourner un diesel à la main et la méthode Tilikum est la seule possible.Un exemple de démarrage du moteur favori de ma jeunesse : un SABB 10 CV :
http://www.youtube.com/watch?v=z60S...
On voit l’opérateur tourner un levier sur la culasse avant de tourner la manivelle et le moteur démarre quand il la ramène....
Ma tâche favorite à partir de 11-12 ans... Beaucoup plus gratifiant que tourner une clé !-
7 avril 2013 12:23, par Carthage
Ce message répond à ...
OK, merci.
Ce qui est agaçant, c’est que souvent l’incompréhension vient d’un problème de vocabulaire.
Et quand (dans d’autres cas, hein !) il y a des erreurs de vocabulaire - ou de syntaxe... finalement, les fautes d’orthographe, c’est le moins grave !
Si par exemple, je traduis avec les termes adaptés l’extrait de Loisirs Nautiques qui m’a posé tant de problèmes (fil sur les batteries), je peux comprendre. Mais pour un débutant qui apprend péniblement, une connaissance fraîchement acquise peut être complètement remise en cause par une façon différente de l’exprimer.
Et quand en plus il faut maîtriser le vocabulaire anglais ! (parce qu’on trouve bien plus d’informations en anglais qu’en français)
-
-
-
-
-
7 avril 2013 22:29, par jp
Pour tendre la courroie, pas besoin de faire tourner ni risquer ses mains, il suffit de tendre par le tendeur (qui est souvent l’alternateur) et bloquer
La tension est bonne quand un doigt appuyé au milieu du brin le plus long ne produit pas une flèche > à 1 cm
Pas vraiment compliqué
Pour le couvercle speed seal, c’est « hachement » trop cher
Quelques vis « papillon » font tout aussi bien et la plupart des couvercles sont réversibles, c’est à dire que lorsqu’un coté est HS, il suffit de mettre de l’autre coté après un petit coup de papier de verre sur une surface plane pour ôter la peinture (à vérifier pour Volvo 2002 que je n’ai pas sous les yeux)
Bien utile à bord : Loctite 5923 (il fait beaucoup pour une dizaine d’€)
http://mailletsylvain.unblog.fr/fil...
Cordialement
-
8 avril 2013 00:11, par Carthage
Ce message répond à ...
couvercles réversibles : oui, ça marche sur Volvo 2002 ; la preuve, c’est qu’il semble que quelqu’un s’en soit déjà rendu compte, et que le couvercle ait déjà été retourné, et qu’il n’est plus très joli...
Oui, le speed seal c’est horriblement cher ; mais j’ai regardé les prix, un couvercle neuf n’est pas donné non plus ; et j’avoue que le fait de pouvoir bloquer les vis à la main sans tournevis ni clé me paraît séduisant. C’est vrai que les vis papillon le permettent aussi.
Pour la courroie... c’est au pied du mur qu’on verra ce que le maçon est capable de faire !
Loctite : à rajouter à la liste de courses...
Merci !-
8 avril 2013 04:45, par Pil-Poil
Ce message répond à ...
Couvercle réversible :
Dans mon cas le couvercle était également en très mauvais état !
Un bon passage des deux faces à la laine d’acier (restauration des vieux meubles) , et dans les cas « graves » un passage à la ponceuse orbitale ou simplement la vibrante ou même « à la main » transforment un vieux couvercle en un neuf gratuitement

Astuce : pour poncer un petit objet plat comme un couvercle :
- le coller au double face sur un morceau de bois épais et bien plat de la taille du couvercle
- coller une feuille abrasive fine (grain 120 ou 180) au double face sur une planche bien plane
- frotter le couvercle sur l’abrasif en le tenant grâce au morceau de bois sur lequel il est collé ... : le contact des deux surfaces bien planes conserveront la planéité du couvercle.
-
8 avril 2013 07:27, par Négofol
Ce message répond à ...
Animateur
Les vis papillons sont assez difficiles à trouver. Une autre solution est de monter des vis Allen,en inox 316 (A4) à tête cylindrique avec une empreinte six pans creux : pas de risque de voir le tournevis endommager la tête de la vis et accès facilité avec une clé Allen standard coudée. Attention à ne pas trop serrer avec le bras de levier plus important... Il est utile d’avoir des vis de rechange si un jour vous devez changer une turbine en catastrophe : elles ont le génie pour tomber et disparaître...
-
8 avril 2013 07:36, par yoruk
Ce message répond à ...
Animateur
Question bêtasse d’un serreur impénitent (breton ordinaire)… où trouver des clés dynamométriques efficaces, à prix raisonnable, et d’un usage aisé ???
C’est une question d’un nul, on est d’accord, et la réponse a peut-être été publiée, ici
Merci d’avance
Michel-
8 avril 2013 08:03, par Négofol
Ce message répond à ...
Animateur
C’est une très bonne question en fait. On trouve facilement des clés dynamométriques aux yeux plus ou moins bridés qui remplissent honnêtement leur fonction, par exemple :
http://www.otelo.fr/fr/catalogue/cl...
Otelo fournit du matériel très varié en plusieurs niveaux de qualité à un prix raisonnable.Le vrai problème est l’étalonnage. Les moyens d’étalonnage sont chers et peu courants. Ma longue expérience dans l’industrie aéronautique m’a convaincu que les clés dynamométriques, même de marque réputée, pouvaient avoir des affichages fantaisistes...
Outre un étalonnage périodique, chez beaucoup d’industriels sérieux (aéronautique, mais aussi automobile) on utilise une clé par valeur de couple et, par sécurité, on ne change jamais le réglage entre deux étalonnages. Evidemment, pas très pratique pour un usage occasionnel.-
8 avril 2013 08:29, par yoruk
Ce message répond à ...
Animateur
Merci Francis
Toujours dans la famille ‘’bêtasse question’’ quelle marge de tolérance sur nos bateaux, quand tu parles ‘’d’affichages fantaisistes’’…
Je parle là de serrages basiques (les colliers de serrage en particulier), ou je ne sais jamais si je n’y suis pas allé trop fort…
Et la plus part du temps… j’ai tort de me poser la question… c’était trop fort et le serrage me claque dans les doigts
Michel-
8 avril 2013 09:11, par Négofol
Ce message répond à ...
Animateur
Attention, les colliers sont plutôt du domaine du tournevis dynamométrique : la clé en 1/4 " de mon lien a une amplitude de réglage de 6 à 30 mN et on va donc être hors échelle ou tout en bas, zone où les erreurs d’affichage peuvent atteindre 30 % !
Les tournevis dynamométriques sont moins « grand public » que les clés et donc plus chers...
Il faut normalement choisir une clé qui permet d’être au milieu de l’échelle et là on peut espérer 10 à 15 % de précision (différence affichage/réalité), ce qui suffit largement en pratique, d’autant que l’effort correspondant au couple dépend beaucoup de la lubrification des surfaces en contact.
Les clés « à déclenchement » sont beaucoup plus pratiques que celles où il faut lire un cadran ou affichage dans des conditions confinées.
Pour les colliers, ce serait donc plutôt ça :
http://www.otelo.fr/fr/catalogue/to...
et c’est plus pratique, la clé citée plus haut fait 30 cm de long !Pour illustrer ce que je disais plus haut, chez SAM, on propose des tournevis dynamométriques (41/42) réglables mais aussi des tournevis monocouple (40MC) à réglage fixe fait au labo et non accessible à l’opérateur, qui assurent alors la tenue de la norme (6 % de répétitivité)
http://it1.interactiv-doc.fr/FrmVie...
-
-
-
-
-
-
8 avril 2013 16:09, par ernestpt
Ce message répond à ...
Hum ... Je suis très réticent vis à vis des vis papillon : en général, quand trop souquées ou encrassées, on dévisse comme un sourd (parfois dans le sens de vissage ...
), et ça casse. Ensuite, pour dévisser le truc, on ne rigole pas. Tandis qu’une vis terminée en écrou (je veux dire « avec 6 pans »), on y parvient toujours.Bref, je n’aime pas les vis papillon, d’ailleurs je n’utilise jamais de vis papilllon, comme eût dit Jean Yanne, s’il avait confondu les vis papillon et les routes départementales ...

-
-
8 avril 2013 14:43, par jp
En 42 ans de bateau j’ai jamais changé un seul couvercle de pompe...
Je le retourne et ensuite un coup de ponçage et c’est reparti pour un tourma technique :
une planche, le couvercle posé dessus et deux clous passés dans les trous de vis légèrement en retrait pour bloquer le couvercle en translation, puis ponceuse à bandeun coup de peinture du coté extérieur, loctite intérieur et pose
Très rapide et très efficace pour un prix très léger
Cordialement
-
8 avril 2013 23:20, par Carthage
Ce message répond à ...
Ben, je m’étais décidée pour le Speedseal.
Ah ouiche !
En France, il semble qu’il y ait un seul vendeur, une chaîne de ships... Chouette, me suis-je dit, justement il y en a un à Hendaye.
Oui... mais... faut commander.
Et en plus, il n’a pas voulu que je lui donne la référence : il faut qu’il commande à sa centrale en donnant le type de moteur. Là où ça se corse, c’est que « Volvo Penta », il ne connaît pas. Il voulait noter Volvo 2002. Avec un peu de chance ça pourraitt le faire... mais ça n’inspire pas vraiment confiance !
Alors, bon, puisque vous dites que ça marche... j’ai commandé chez Volvo un rouet et le joint... Je poncerai.-
9 avril 2013 11:46, par Alien
Ce message répond à ...
en général il y a au moins un joint si ce n’est deux dans la boite du rouet .
Sans aller jusqu’à la ponceuse, une feuille de papier abrasif à l’eau, à grain fin (210-400) posée sur une glace peut faire l’affaire.
-
-











